KingTech K-30TPG4+
-
-
KingTech G4 utilizes SBus data transmission.
• Engine/ECU integration, all operating parameters including total run time are all recorded into the engine.
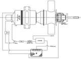
• The smaller and lighter external Data Relay Module (DRM) is responsible for all data, signal and power transmission.
• Pump: digital sbus brushless pump
• A micro USB connector is present for a future connectivity of wireless mobile apps.
• The G4 features a brushless starter motor for reliability and durability, built-in FOD screen is also integrated.
• After a run cycle and receiver switched off, GSU will remain on only until cool down completes.
-
KingTech G4 utilizes SBus data transmission.
K-30TPG4 SPECIFICATIONS
Length: 276.5mm ( 10.88" )
Weight: 1200g ( 2.64lb )
Max. RPM: 230000
Pump type:Digital sbus brushless pump (KP200BL)
Fuel consumption: 145 g / min ( 0.33 g / min )
Fuel: Jet A1, Kerosene
Lubrication: 5%
Maintenance cycle: 25 hr US$500